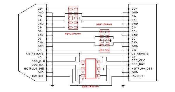
HDMI(高清多媒體接口)是一種全數字化視頻和聲音發送接口廣泛應用如消費類產品上,如機頂盒、DVD播放器、個人計算機、電視、游戲主機、綜合擴大機、數字音響與電視機等設備。隨著消費類電子產品需求的持續增長,對靜電放電ESD保護管的需求也越來越強烈,HDMI2.1其數據傳輸速率可高達48Gbps,普通的防護方案或許會對數據的傳輸造成一定影響。此方案采用集成四通道保護、超低容值、低漏電的ESD靜電防護器件 ,在不影響數據傳輸的前提下滿足IEC61000-4-2 Level 4靜電放電防護需求,讓后端的電路得到有效防護。
應用示例

型號參數
規格型號 | 方向 | 工作電壓(V) | IPP(A) | 鉗位電壓(V) | 結電容(pF) | 封裝 |
SEUC10F5V4U | Uni. | 5 | 4.5 | 15 | 0.6 | DFN2510-10L |
SEUC236T5V4U | Uni. | 5 | 4.5 | 15 | 0.6 | SOT-23-6L |